
十六、电流平衡保护原理图
电流平衡保护是横联差动保护的另一种形式,它是按比较双回线路中电流的绝对值而工作的,如图18所示。电流平衡继电器KBL1、KBL2各有一个工作线圈匝Nw,一个制动线圈匝NB和一个电压线圈匝Nv。KBL1的工作线圈接于线路L-1电流互感器的二次侧,由电流I1产生动作力矩Mw1,其制动线圈接于线路L-2电流互感器的二次侧,由电流I1产生动作力矩MB1。KBL2的工作线圈接于线路L-2电流互感器的二次侧,由I2产生动作力矩Mw2,其制动线圈接于线路L-1电流互感器的二次侧,由I1产生动作力矩MB2。KBL1、KBL2的电压线圈均接于母线电压互感器的二次侧。继电器的动作条件是Mw>MB+Mv(Mv为电压线圈中产生的力矩)。
正常运行及外部短路时,由于II=I2,KBL1、KBL2由于其反功能力矩Mv和继电器内弹簧反功能力矩Ms的功能,使触点保持在断开位置,保护不会动作。
当一回线路发生故障(如线路L-1的K点),由于II>I2,并由于电压大大降低,电压线圈的反功能力矩显著减少,因此KBL1中由II产生的动作力矩Mw1大于I2产生的制动力矩MB1与电压产生的制动力矩Mv之和,所以KBL1动作,切除故障线路L-1;对于KBL2,由于流过其制动线圈的电流II大于工作线圈流过电流I2,即制动力矩大于动作力矩,所以它不会动作。
必须指出,单端电源的双回线路上,平衡保护只能装于送电侧,受电侧不能装设。因为任一回线路短路,流过受电侧两个平衡继电器的工作线圈和制动线圈的电流大小是相等的,保护将不起功能。
由于双回平行线横联差动保护及平衡保护,在靠近对侧出口短路时,本侧两条线路流过的电流,其电流的横差值,不足以启动保护,只有等待对侧的保护动作,切除故障后,本侧的非故障线电流降为零,才由故障线电流启动本侧保护,切除故障线路。这种情况被称为相继动作。线路上相继动作区域大小与保护整定值及短路电流有关。
横联差动保护,其方向继电器接有母线电压,在平行线路出口三相短路时,电压为零,如方向继电器的电压回路没有良好的记忆功能,便会误动,称为电压死区。

图18电流平衡保护原理图
.
十七、变压器瓦斯保护原理接线图
变压器瓦斯保护的主要元件就是瓦斯继电器,它安装在油箱与油枕之间的连接管中。当变压器发生内部故障时,因油的膨胀和所产生的瓦斯气体沿连接管经瓦斯继电器向油枕中流动。若流动的速度达到一定值时,瓦斯继电器内部的挡板被冲动,并向一方倾斜,使瓦斯继电器的触点闭合,接通跳闸回路或发出信号,如图19所示:瓦斯继电器KG的上触点接至信号,为轻瓦斯保护;下触点为重瓦斯保护,经信号继电器KS、连接片XE起动出口中间继电器KOM,KOM的两对触点闭合后,分别使断路器QF1、QF2、跳闸线圈励磁。跳开变压器两侧断路器,即:
直流+ → KG → KS → XE → KOM → 直流-,起动KOM。
直流+ → KOM → QF1 → YT → 直流-,跳开断路器QF1。
直流+ → KOM → QF2 → YT → 直流-,跳开断路器QF2。
再有,连接片XE也可接至电阻R,使重瓦斯保护不投跳闸而只发信号。

图19变压器瓦斯保护原理接线图
.
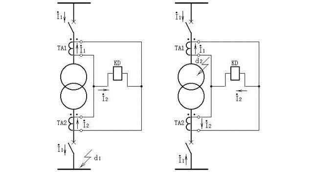
十八、双绕组变压器纵差保护单线原理图
变压器纵差保护是按循环电流原理构成的,它能正确区分变压器内、外故障,并能瞬时切除保护区内的故障。图20表示双绕组变压器纵差保护的单线原理图。变压器两侧分别装设电流互感器TA1和TA2,并按图中所示极性关系进行连接。
正常运行或外部(如图20a中d1点)故障时,差动继电器KD中的电流等于两侧电流互感器二次电流之差,要使这种情况下流过差动继电器的电流为零,应恰当选择两侧电流互感器的变比。由于二次额定电流一般为5A,所以电流互感器的变比为:一次额定电流/二次额定电流,UN/5。疏忽变压器的励磁电流,则在正常运行或外部故障时,流入差动继电器的电流为零。
当变压器内部,如图20b中d2点故障时,流入差动继电器的电流为变压器两侧流向短路点的短路电流(二次值)之和。
实际上,由于变压器的励磁涌流、接线方式和电流互感器的误差等因素的影响,差动继电器中会流过不平衡电流,不平衡电流越大,继电器的动作电流越大,致使纵差保护的灵敏度降低。因此纵差保护需要解决的主要问题之一是采取各种措施避免不平衡电流的影响,在保证选择性的条件下,还要保证内部故障时有足够的灵敏性和速动性。

图20a双绕组变压器纵差保护单线原理图(正常运行或外部故障时)
图20b双绕组变压器纵差保护单线原理图(内部故障时)
.
十九、复合电压启动的过电流保护原理图
图21中,当保护区内发生不对称故障,系统出现负序电压,负序过滤器13有电压输出使继电器7常闭触点打开,欠压继电器8失压,常闭触点闭合,接通中间继电器9,若电流继电器4、5、6任何一个动作,则启动时间继电器10,经过整定时限后,跳开两侧断路器。在对称短路情况下,电压继电器7不启动,但欠压继电器8因电压降低,常闭触点接通,保护启动。
负序电压整定值,可取额定电压的6%;电流整定值,可取大于变压器额定电流,但不必大于最大电流(例如并联运行的变压器断开一台时)。

图21 复合电压启动的过电流保护原理图
.
二十、单电源三绕组过电流保护原理接线图
三绕组变压器外部故障时,其过电流保护应有选择性地断开故障侧断路器。而使其余两侧继续正常运行,为此,应按如下原则来实现过流保护。
1、对单侧电源三绕组变压器(如图11所示),应装设两套过电流保护。一套装于负荷侧,如绕组Ⅰ、Ⅱ、Ⅲ,其动作时限tⅢ最小,保护动作仅跳开QF3。另一套装在电源侧,如绕组Ⅰ,它设两级时限tⅠ和tⅡ,tⅡ= tⅢ+Δt,用以切除QF2;而tⅠ= tⅡ+Δt,用以切除高、中、低三侧断路器。
2、对两端或三端电源的变压器,三侧均应设过电流保护,并根据计算值在动作时限小的电源侧加装方向元件,以保证动作的选择性。

图22 单电源三绕组过电流保护原理接线图
.
二十一、变压器零序电流保护原理接线图
对大电流接地系统中的变压器装设的接地零序电流保护,作为变压器主保护的后备保护及相邻元件接地短路的后备保护。
如图所示:正常情况下,3Io=0,TA中没有电流通过,零序电流保护不动作发生接地短路时出现零序电流,当它大于保护的动作电流时,电流继电器KA动作,经KT延时后,跳开变压器两侧断路器。零序电流保护的动作电流,应大于该侧出线零序电流保护后备段的动作电流。保护的动作时限也要比后者大一个Δt。

图23变压器零序电流保护原理接线图
.
二十二、变压器中性点直接接地零序电流保护和中性点间隙接地保护的原理接线图
目前大电流接地系统普遍采用分级绝缘的变压器,当变电站有两台及以上的分级绝缘的变压器并列运行时,通常只斟酌一部分变压器中性点接地,而另一部分变压器的中性点则经间隙接地运行,以防止故障过程中所产生的过电压破坏变压器的绝缘。为保证接地点数目的稳定,当接地变压器退出运行时,应将经间隙接地的变压器转为接地运行。由此可见并列运行的分级绝缘的变压器同时存在接地和经间隙接地两种运行方式。为此应配置中性点直接接地零序电流保护和中性点间隙接地保护。这两种保护的原理接线如图24所示。
中性点直接接地零序电流保护:中性点直接接地零序电流保护一般分为两段,第一段由电流继电器1、时间继电器2、信号继电器3及压板4构成,其定值与出线的接地保护第一段相配合,0.5s切母联断路器。第二段由电流继电器5、时间继电器6、信号继电器7和8压板9和10等元件构成,。定值与出线接地保护的最后一段相配合,以短延时切除母联断路器及主变压器高压侧断路器,长延时切除主变压器三侧断路器。
中性点间隙接地保护:当变电站的母线或线路发生接地短路,若故障元件的保护拒动,则中性点接地变压器的零序电流保护动作将母联断路器断开,如故障点在中性点经间隙接地的变压器所在的系统中,此局部系统变成中性点不接地系统,此时中性点的电位将升至相电压,分级绝缘变压器的绝缘会遭到破坏,中性点间隙接地保护的任务就是在中性点电压升高至危及中性点绝缘之前,可靠地将变压器切除,以保证变压器的绝缘不受破坏。间隙接地保护包括零序电流保护和零序过电压保护,两种保护互为备用。
零序电流保护由电流继电器12、时间继电器13、信号继电器14和压板15构成。一次启动电流通常取100A左右,时间取0.5s。110kV变压器中性点放电间隙长度根据其绝缘可取115~158mm,击穿电压可取63kV(有效值)。当中性点电压超过击穿电压(还没有达到危及变压器中性点绝缘的电压)时,间隙击穿,中性点有零序电流通过,保护启动后,经0.5s延时切变压器三侧断路器。
零序电压保护由过电压继电器16、时间继电器17、信号继电器18及压板19构成,电压定植按躲过接地故障母线上出现的最高零序电压整定,110kV系统一般取150V;当接地点的选择有困难、接地故障母线3Uo电压较高时,也可整定为180V,动作时间取0.5s。

图24变压器中性点直接接地零序电流保护和中性点间隙接地保护的原理接线图
.
二十三、三相一次自动重合闸装置原理接线图
架空线路的短路故障多为瞬时性的,当保护跳闸切除故障后,短路点的绝缘经常可恢复,便可利用自动重合闸继电器KAC,使断路器自动再合闸,即可恢复再送电,这种重合的告捷率,多不低于70%。110kV线路,一般均应装设三相一次重合闸装置,三相一次重合闸装置的展开图如图25所示。
1、线路正常运行,开关处于合闸状态,QF3常闭触点断开,控制开关SA在合闸后位置,其触点21、23接通,信号灯HL亮,电容C经充电电阻R4充电,经15-25s时间,充电至额定的直流电压,这时KAC处于准备动作状态。
2、线路发生瞬间故障,保护动作使开关跳闸,其辅助常闭触点QF3闭合,由于SA还处于“合闸”位置,其触点21、23仍导通,所以重合闸由开关的辅助触点与SA触点不对应启动,时间继电器KT经本身的瞬时常闭触点KT2瞬时断开,使限流电阻R5串入KT线圈电路中,这时KT继续保持动作状态,经整定的延时,以保证线路故障点的绝缘恢复和开关准备再次合闸,当KT的常开触点KT1接通,构成了电容C对中间继电器KM电压线圈的放电回路。KM动作,其常开触点闭合,使操作电源经KM2、KM1触点、KM电流自保持线圈、信号继电器KS和压板XE1向合闸接触器KMC发出合闸脉冲,断路器合闸。同时由KS给出重合闸动作信号。断路器合上后,若是瞬时性故障,重合告捷。辅助触点QF2、QF3断开,继电器KS、KT相继返回,其触点打开。电容C重新充电,经15~25s时间充好电,准备下一次动作。这说明装置是能够自动复归的。
3、断路器重合于永久性故障时,保护再次动作,使断路器跳闸,KAC重新启动,KT触点闭合,旁路了电容充电,中间继电器KM不会起动,保证了只重合一次。
4、手动跳闸时,控制开关SA处于“跳闸”后位置,此时SA触点21-23断开,KAC不启动;同时,2、4触点闭合,使电容C对R6放电,KM不能动作。因此,手动跳闸不重合。
5、手动合闸于线路故障,保护动作于跳闸,电容C来不及充电到KM动作所需要的电压,不会起动重合闸。
6、为防止KAC出口中间继电器KM触点KM2与KM1被卡住,而出现断路器多次重合于故障线路上(即“跳跃”),可采用“防跳”措施。
(1)采用两对常开触点KM1和KM2串联,若其中一对触点卡住,另一对能正常断开,不至发生断路器“跳跃”现象。
(2)在断路器跳闸线圈YT回路中,又串接了防跳继电器KL的电流线圈,当断路器事故跳闸时,KL动作。当KM两个串联的常开触点被粘住时,KL的电压线圈经自身的常开触点KL1而带电自保持,从而使其常闭触点KL2、KL3也保持断开,使合闸接触器KMC不会接通,达到了“防跳”的目的。
当线路低频减载及母线差动等保护装置动作后不需重合闸时,设重合闸闭锁回路。
双侧电源重合闸装置,还应防止两侧电源的非同期合闸。对于单回联络线,可在重合闸的“不对应”启动回路中,串入同期或无压检定继电器的触点,只有当线路跳闸后线路无压,或对侧与本侧在同期情况下,才能启动重合闸装置;若是双回平行联络线,能够用上述同期或无压检定,也可用平行另一回线有电流才允许启动重合闸的电流检定方式。
图26为重合闸后加速原理接线图,当重合在永久性故障时,加速继电器KACC旁路了KT的触点,能够使重合于故障后,瞬时跳闸。

图25三相一次自动重合闸装置的展开图

图26 重合闸后加速原理接线图
.
二十四、自动按频率减负荷装置(LALF)原理接线图
不在检查位置时,ZK触点1-2、5-6、9-10接通,其他触点断开。此时1C和2C的正极分别接至+WC1和+WC2,各自作本回路跳闸电源。
旋ZK到检查I组电容器位置时,触点1-4、5-8、9-12接通,其他触点断开。此时2C正极同时接至+WC1和+WC2,作两回路的跳闸电源。
1C正极接至KT线圈右端,使KT线圈加上1C动作,经一定时间接通KV,若1C的电压足够,则KV启动,信号灯亮,证明电容器组满足要求。反之,责说明电容量降低或有断路存在,应逐一检查更换。
旋ZK到检查II组电容器位置时,触点3-2、7-6、10-11接通,其他触点断开。此时1C作两回路的跳闸电源,2C被检查。

图27储能电容器组接线图
.
二十五、小电流接地系统交流绝缘监视的原理接线图
交流绝缘监视的工作原理为,TV是母线电压互感器(三相五柱或三个单相组),其一次中性点接地,正常时每相绕组对地电压为额定相电压,故二次星形每相绕组电压是100/√3V,开口三角形每相绕组电压是100/3V。
当一次系统中A相发生接地时,一次A相绕组电压降到零,其他两相绕组的电压升高到线电压。二次星形绕组的A相绕组电压降到零,其他两相绕组的电压升高到100V。
三个电压表中,A相电压表指示零、另两相指示线电压,由此得知一次系统A相接地。二次开口三角形的A相绕组电压降到零,其他两绕组的电压升高到100/3V,三角形开口两端电压升高到100V。加在电压继电器KV上的电压由正常时的零伏升高到100V,KV动作发出信号。

图28 小电流接地系统交流绝缘监视的原理接线图
.
二十六、变压器强油循环风冷却器工作和备用电源自动切换回路接线图
如图29所示,变压器投入电网之前,先将SA开关手柄置于I工作II备用,或者II工作I备用位置。
当变压器投入电网时,1KM常闭触点接通;1KV1、2KV1带电,常开触点接通,起动1KV、2KV使常闭触点断开;假定SA开关手柄在I位,则SA1-2接通起动1KL接触器,1KL主触头闭合由工作电源(I)供电。2KL线圈回路被1KL常闭触点断开(闭锁了)。
当工作电源(I)由于某种原因停电,1KL线圈断电,1KL主触头断开工作电源(I),1KL常闭触点接通,1KV断电常闭触点接通,再经SA5-6触点动作2KL接触器,2KL主触头闭合由工作电源(II)供电。
假如工作电源(I)恢复供电时,1KV1动作起动,1KV动作,1KV常闭触点断开使2KL断电,2KL的主触头断开工作电源(II),2KL常闭触点起动1KL,1KL的主触头闭合由工作电源(I)供电。

图29 变压器强油循环风冷却器工作和备用电源自动切换回路接线图
.
二十七、变电站事故照明原理图
平时交流接触器线圈1KL是接通的,正常时事故照明是由380/22V的交流电源供电。
当交流电源发生故障,任何一相失去电压时,电压继电器1KV、2KV、3KV之一失去励磁,该电压继电器的常开触点断开,常闭触点闭合,使交流接触器1KL的衔铁线圈失磁,1KL主触头就断开,A、B、C三相母线与交流电源脱离联系。当1KL断开后,其常闭触点1KL闭合,而1KV、2KV、3KV之一的常闭触点已闭合。
所以交流接触器2KL的衔铁线圈励磁,2KL主触头就接通,其常开触点2KL闭合,使直流接触器3KL的衔铁线圈励磁,3KL主触头接通,事故照明被切换到直流电源上。
当三相交流电源都恢复时,电压继电器1KV、2KV、3KV都被励磁,其三个常闭触点均断开,3KL的衔铁线圈失磁,3KL主触头断开,三相母线触点与直流电源脱离关系。此时3KL的常闭触点接通,由于1KV、2KV、3KV的三个常开触点已闭合,使1KL的衔铁线圈励磁,1KL主触头接通,事故照明恢复为三相交流电源供电。

图30 变电站事故照明原理图
.
二十八、开关事故跳闸音响回路接线图
1、利用开关的一对常闭辅助触点QF,控制开关SA1-3、SA17-19两对触点和附加电阻串联构成。正常的开关辅助触点QF在断开位置,事故时开关跳闸辅助触点QF闭合,瞬时事故警报回路接通,发出跳闸警报信号。
2、利用开关合闸回路的跳闸位置继电器KTP的一对常开辅助触点,控制开关SA1-3、SA17-19两对触点和附加电阻R串联构成。正常运行跳闸位置继电器在失磁状态,其触点在断开位置,当事故跳闸后KTP常开触点闭合,瞬时接通事故跳闸音响回路,发出跳闸警报信号。

图31 开关事故跳闸音响回路接线图
.
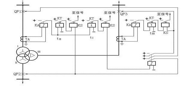
二十九、10kV线路保护原理接线图
二次回路的原理图是体现二次回路工作原理的图纸,并且是绘制展开图和安装图的基础。在原理接线图中,与二次回路有关的一次设备和一次回路,是同二次设备和二次回路画在一起的。因此,所有的一次设备(例如变压器、断路器等)和二次设备(如继电器、仪表等),都以整体的形式在图纸中表示出来,例如相互连接的电流回路、电压回路、直流回路等都是综合在一起的。因此,这种接线图的特点是能够使看图者对整个二次回路的构成以及动作过程,都有一个明确的整体概念。现以某10kV线路的继电保护装置为例加以说明,见图32。
从图中可知,整套保护装置包括,时限速断保护,它由电流继电器1LJ、2LJ,时间继电器1SJ及信号继电器1XJ,连接片1LP所构成;过电流保护,它由电流继电器3LJ、4LJ,时间继电器2SJ,信号继电器2XJ,连接片2LP所构成。当线路发生A、B两相短路时,其动作过程如下:
若故障点在时限速断及过流保护的保护范围内,因A相装有电流互感器1LH,其二次反应出短路电流,使时限速断保护的电流继电器1LJ和过电流保护的电流继电器3LJ均起动。1LJ、3LJ的常开触点闭合,将直流正电源分别加在1SJ、2SJ的线圈上,使两个时间继电器均起动。又因时限速断保护的动作时间小于过电流保护的动作时间,所以1SJ的延时常开触点先闭合,并经信号继电器1XJ及连接片1LP到断路器DL的跳闸线圈,跳开断路器,切除故障。
从图32中能够看出,一次设备(如DL、1G等)和二次设备(如1LJ、1SJ、1XJ等)都以完全的图形符号表示出来,能使我们对整套继电保护装置的工作原理有一个整体概念。但是这种图存在着许多缺点:
1、只能表示出继电保护装置的主要元件,而对细节之处则无法表示。
2、不能反映继电器之间连接线的实际位置,不便维护和调试。
3、没有反映出各元件内部的接线情况,如端子编号、回路编号等。
4、标出的直流“正”、“负”极比较分散,不易看图。
5、对于较复杂的继电保护装置(例如距离保护等)很难用原理接线图表示出来,即使画出了图,也很难看清。因此,在实际工作中广泛采用展开图。

图32 10kV线路保护原理接线图
.
三十、继电保护直流回路展开图
直流回路展开图按其功能可分为继电保护回路、信号回路、控制回路等。现以继电保护回路为例加以说明,如图33所示。图的左边为保护装置的逻辑回路,右边相对于逻辑回路标有继电保护装置的种类及回路名称。如过电流、速断、瓦斯等。
从图中很容易看清继电保护的动作过程。例如速断保护,当速断保护的电流继电器1LJ或2LJ动作后,直流正电源就加到了信号继电器3XJ和保护出口继电器1BCJ线圈上。1BCJ动作后,分别跳开1DL、2DL断路器。
从图33中可知,展开图的接线清晰、易于阅读,便于掌握整套继电保护装置的动作过程和工作原理,特别是在复杂的继电保护装置的二次回路中,用展开图绘制,其优点更为突出。

图33 继电保护直流回路展开图
.
来源于网络,由微信公众号:全球电气资源(ID:qqdqzy888)整理 。。
.
看完文章后,您能够做四件事
第一、写留言把自己想看的东西写出来与小编交流学习!
第二、点赞支持小编!小编会感激涕零!
第三、分享到朋友圈,把正能量传递给更多的人!
第四、关注微信公众号:全球电气资源(ID:qqdqzy888), 免费获取《电气百科全书》
复制链接查看:
http://dwz.cn/408U9U

猜你喜欢:
电气二次回路图详解(上)
电气安全知识百科全书,电力人必备!
最全电工常识集锦,一般人我不告诉他
供电系统电气图识读,一看就懂!
非常全面的电工学公式及电工图