点击上方“关注”,材料科学与工程相关知识,不再错过。
材料之美不仅体现在宏观,也表现在其微观组织。为了让更多材料人欣赏到美轮美奂的材料组织,培养探索微观世界的兴趣,提高仪器使用水平与艺术鉴赏能力,材料科学网继告捷举办三届金相大赛后,特此举办第四届材料微结构大赛。欢迎投稿、合作等。(第四届材料微结构大赛正式开始!更有行家点评、好礼相送!)。
我们一起来赏析往届的部分精美材料微观组织吧:

【31张群】所示OM照片为铸态双相Mg-8Li-3Al合金金相显微组织。浅色相为α-Mg相(Li在Mg中的固溶体),深色相为β-Li相(Mg在Li中的固溶体)。可见α-Mg相包括树枝状及球状两种形态,β-Li相中出现絮状及块状析出相。

【32张靖】镁合金成材料(Mg-6Al-4Ca-4Nd),铸态组织SEM图,能够清楚看清合金元素形成机理。

【33孙少龙】禾本科植物中木质素组分在热水处理过程的溶出形态。ZEISS EVO 18 扫描电子显微镜。选用禾本科植物,使其在热水处理后,利用电子显微镜观察禾本科植物表面木质素的溶出形态,能够看出木质素从生物质中溶出且形成小球状,并且尺寸大小不一,这将对于木质素的结构研究以及利用提供一定的理论基础。本图片已于2015年出版在SCI一区top期刊biotechnology for biofuels,最新影响因子为6.044,各审稿人给予了高度评价。

【34刘鹏鹏】仪器为ZEISS扫描电子显微镜;作品为铝合金,内容为疏松里的枝晶。

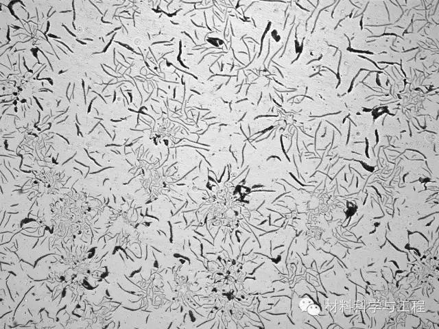
【35刘鹏鹏】仪器为ZEISS扫描电子显微镜;作品为65Mn弹簧钢,内容为针状锈,勾勒出小刺猬的。

【36魏娴】材
料介绍:铝青铜。仪器:光学显微镜。作品描述:铝青铜固溶时效后形成β′马氏体针状组织,放大500倍后,好似天使的羽毛。

【37李程】我的作品原材料是纯镁,通过打磨抛光后,再通过电解抛光,用酒精清洗一下,烘干。在体视显微镜的175倍率下得到的。该作品也是偶然得到的,一条条线像银河,那是晶粒之间的界线,许多亮点似众多的繁星,可能是被电解过留下的腐蚀小斑点。整个图片就像一片迷人的星空。

【38韩晓乾】
材料:灰铸铁。未浸蚀抛光态。处理情况:铸态。检测仪器:LEICA光学显微镜。组织说明:B型石墨,中心为点状,周围向外辐射弯曲的片状,形如菊花。这是近共晶或共晶成分的铁液在较大过冷度下形成的。由于过冷度较大,先析出花心部位的点状石墨,初晶产物形成释放出结晶潜热,使花心周围钢液的冷速减慢,从而形成向外伸展的弯曲石墨片。

【39刘成龙】材料是铝材,表面经阳极氧化2h,铬酸处理30s。仪器是SEM,作品描述:铝材表面是阳极氧化之后的致密氧化铝,抗腐蚀能力超强。看看材料表面来了一群小燕子!

【40刘成龙】材料是铜材,表面长银实验。仪器是SEM。作品描述:我在铜材表面种了一棵银子做树。

【41张立鹏】
作品介绍:纤纤玉手——聚氨酯共混增韧形状记忆环氧树脂拉伸断面SEM图。作品描述:聚氨酯共混增韧形状记忆环氧树脂拉伸断面在扫描电子显微镜放大500倍后观察,聚氨酯与环氧树脂两相脆性断裂和韧性断裂呈交替分布。此作品图片如同几个美女细长的手指并排而放。

【42卢尤优】45号钢;金相显微镜;这就是游子眼中一轮思乡的明月!

【43褚小菲】图中金相照片为铜钢熔覆焊界面组织。使用仪器:蔡司Axiovert200。钢为D6AC钢,铜为T6铜。铜钢界面钢体少量熔化,钢渗透到铜中,形成渗铁现象。

【44胡丽】羟基镍粉颗粒形貌。日立场发射扫描电镜(S-4700)。

【45赵宇凡】*情迷**沙滩。Rene88DT激光立体成形沉积态组织中的 γ′ 强化相,强化相尺寸由枝晶间向枝晶干呈减小趋势,具有层次感.后期做了调色处理。使用设备:TESCAN MIRA3场发射扫描电镜。

【46姚三成】本作品中所用7005铝合金材料经熔铸、均匀化退火、在线挤压淬火、时效热处理等工艺流程制备而成。TEM。 铝合金470℃淬火后的位错环,其中A, B, C等处表示位错离开网络与表面相交。

【47李敏娜】材料:20MnSi建筑用钢。仪器:OLYMPUS PMG3型倒置式金相显微镜。作品描述:图为20MnSi建筑用钢的铸坯横向组织形貌。由于树枝状偏析处呈现出不均匀的组织,即非金属夹杂物和较多的分布不均匀的珠光体。

【48郭小敏】铸态Mg-4Al-4Si合金的显微组织。光学显微镜。作品描述:铸态Mg-4Al-4Si合金中Mg2Si相颗粒非常粗大,以三种形式存在粗大的骨骼状、多边形块状、和汉字状。其中骨骼状Mg2Si颗粒最大尺寸约为150微米,多边形块状Mg2Si颗粒最大尺寸约为20微米,汉字状Mg2Si颗粒最大尺寸约为30微米。铸态Mg-4Al-4Si合金酷似人体骨骼,所以用骨骼来命名此显微组织。

【49张东东】一种耐热钢腐蚀后出现的形貌,酷似一片展开荷叶,有木有呀!

【50王萍】此材料为Cr12MoV,白色大块状及条状为共晶碳化物。放大500X。你看我像一条鱼吗?

【51邵晓峰】财神吐珠。车轮表面经过激光熔覆处理,完成轮轨滚动对滚后,扫描电子显微镜下的钢轨表层磨损形貌。

【52刘懿萱】此图是非常经典的Fe-0.6Si钢在1200℃保温60min断面结构金相图。最外层Fe3O4层,下面FeO层含有先共析Fe3O4,紧接着FeO层,里面形成硅酸亚铁通道。最下面形成硅酸亚铁富集层。

【53刘从庆】用于粉末冶金的金属粉。

【54刘从庆】用于粉末冶金的金属粉。

【55王彦芳】Pr-Co-Fe铸态组织扫描BEI照片。

【56佟欣儒】材料:掺氟二氧化锡透明导电薄膜(FTO)。仪器:场发射透射电子显微镜。作品描述:照片右上方为FTO(101)及(110)晶面的选区衍射斑;右下方为FTO的形貌图,明显可见二氧化锡的双膝孪晶晶体形态;主图的红色点划线处为由互成120°角的(101)晶面构成的双膝孪晶,此孪晶伴随与之相垂直的(110)择优取向晶面生长。像不像鱼刺~

【57罗议明】材料:1元硬币(成分未知);仪器: 徕卡DM4000 金相显微。描述:1元硬币纵截面,打磨抛光后用4%的硝酸酒精溶液腐蚀。芯部为铁素体和极少量的渗碳体,表面为镀镍约80um厚,厚度不均匀,应是在表面处理后再进行的冲压文字。

【58曾箐雨】作品介绍:Q235钢高钙环境下空蚀坑。仪器:ESEM设备。作品描述:利用超声空蚀设备在高钙环境下形成空泡轰击Q235钢表面,产生空蚀坑,坑中物质在表面形成花球状结构。

【59山东明】绽放。材料为灰口铸铁。铸态灰口铸铁拉伸试样经拉伸试验后,用线切割截得横截面,此为距断口约10mm处的横截面金相,侵蚀剂为4%硝酸酒精。仪器:OM。作品描述:灰口铸铁中过量的碳元素以片状石墨形式分布在基体上,石墨片交联如花朵绽放。

【60王元瑞】
材料:T12。仪器:ZEISSObserver.Z1m(偏光)。侵蚀方法:焦亚硫酸盐-硫代硫酸盐试剂。组织说明:片状珠光体+二次渗碳体,渗碳体呈针状分布。采用彩色金相法使铁素体着成各种颜色,渗碳体和珠光体中的渗碳体呈白色。
— END —
赶紧报名!
第四届材料微结构大赛
展示自己吧!
*未经允许请勿转载。