1.串激式电机控制原理
滚筒洗衣机常见的串激式电机控制电路原理图如下图所示。

当电机洗涤正转时,从CPU的㉖脚输出低电平送到IC6(ULN2003)的⑥脚,经反相后从⑪脚输出高电平,启动瞬间CPU检测过零信号,产生一个上升沿的触发脉冲,可控硅控制脚的脉宽调制信号(PWM)对转速进行控制。⑪脚输出信号经R61接至双向可控硅的控制脚,可控硅触发导通,此时电源L(火线)经电刷、转子、电刷后接到继电器控制线路,JK4继电器得电,触头1-2若开,1-3接通,电流从定子绕组1端流入,2端流出,经继电器JK5的2-1触头接入继电器JK3, JK3得电,触头1-2断开,1-3接通,电流进入可控硅的T2极,由于此时可控硅TR4已触发导通工作,T2与T1极导通接至电源零线(N),所以电机得电正转。
当电机洗涤反转时,从CPU的㉖脚输出低电平送到IC6(ULN2003)的⑥脚,经反相后从⑪脚输出高电平,启动瞬间CPU检测过零信号,产生一个上升沿的触发脉冲,其转速是受到可控硅控制脚的脉宽调制信号(PWM)实现调速。接R61电阻后直接连接双向可控硅的控制脚,可控硅触发导通,此时电源L(火线)经电刷、转子、电刷后接到继电器控制线路,电流流经JK3继电器的2-1触头后进入JK5继电器的1-2端,电流从定子绕组的2端流入,1端流出后接到JK4继电器的1-2端,再接到可控硅TR4的T2极,此时由于可控硅处于导通的工作状态,T1极直接接到零线N端,电机得电反转。
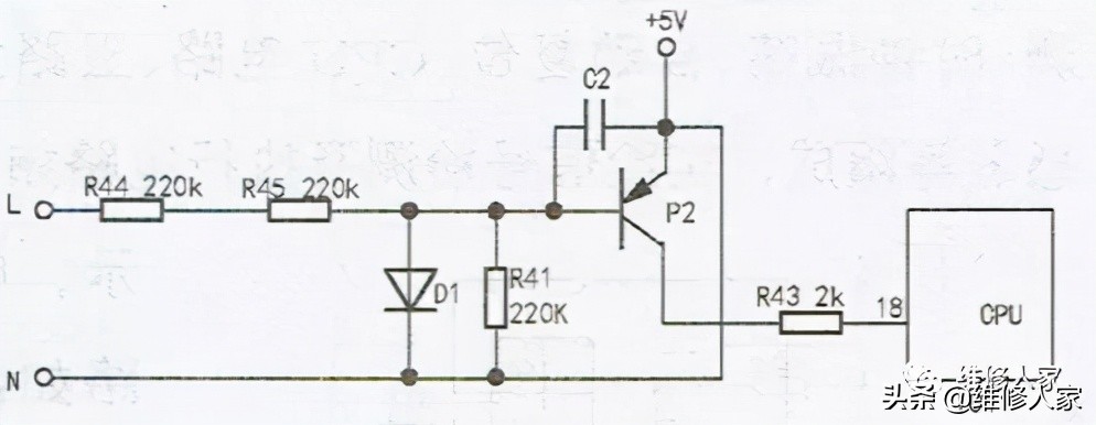
2 .过零检测电路
过零检测电路是指为CPU提供一个标准的外部时钟源,准确反映市电正弦波的过零情况。家用电器控制器中在一些可控硅控制的转速类电机的场合一般有过零检测电路,能实现对电机的转速同步与控制。目前常用的过零检测电路有以下几种方式:变压器后取信号(二极管及三极管)、变压器前取信号(三极管非隔离及光耦隔离)和非隔离过零检测电路。本机采用的是变压器前取信号 (三极管非隔离),如下图所示。

其功能能够理解为给CPU提供一个标准,这个标准的起点是零电压,可控硅导通角的大小就是依据这个标准。也就是说洗涤与脱水电机转速不一样,可控硅都对应—个导通角,而每个导通角的导通时间是从零电压开始计算的,导通时间不一样,导通角度的大小就不一样,因此电机的转速就不一样。
3.常见故障检修
例1:一台海尔XQG50-807滚筒洗衣机,洗涤时只有单向运转。
分析检修: 该机使用的是串激式电机,主要靠继电器工作实现电流的换向,改变运转方向。机子能单相运转,说明TR4双向可控硅等控制电路正常,问题出在继电器。细查后发现其中有一个继电器JK4的触头烧蚀,出现得电时会动作但不能正常闭合的现象。
用10A/DC12V的继电器将其更换,故障排除。
例2:一台海尔XQG50-807型滚筒洗衣机,关好门未按启动按钮,机子就自动单向连续运转:
分析检修: 上门检查,发现机子只要一关好洗衣机门,无需按压任何按钮就会自动单向连续运转。查遍了继电器未见异常,电机正常,线路无短路、碰线的现象,当使用万用表测量可控硅TR4时,发现T1、T2极已经击穿短路。更换TR4(BTA416Y)后故障排除。此时只要已关好门,门锁触头闭合送电L和N分别接到定子绕组两端,电机得电运转。维修时只要更换的双向可控硅电流大于16A/800V的即可替换。