
1.DD17型单相跳入式电度表的接线
电度表是测量用电器用电量的一种仪表,它可测量用电器的有功功率。
它的接线方法是:电度表电流线圈1端接电网相线,2接用电器相线,3接电网零线进入线,4接用电器零线。总之,1、3进线,2、4出线后进入用户。线路见图1。

图1 DD17型单相跳入式电度表的接线
电度表每月本身耗电约1度,因此一般分表应向总表多补贴1度电费。
电度表的额定电压为220V、电流规格为1(2)A时,选用负载为最小功率11W,最大功率440W,否则造成电度表度数计费不准或超载时烧坏电度表。以此类推,如果电度表为2.5(5)A时,选用负载为27.5~1100W;如电度表为5(10)A时,选用负载为55~2200W;如果电度表为30(60)A时,选用负载为330~13200W;如电度表为60(120)A时,选用负载则为660~26400W。
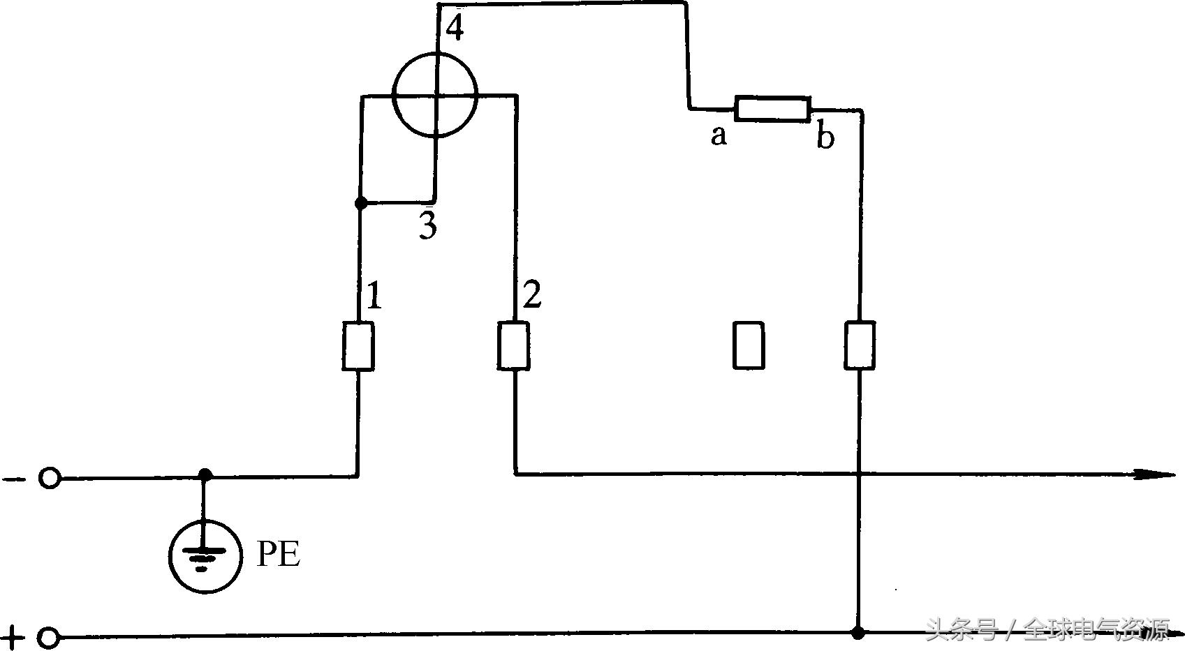
2.单相电度表测有功功率顺入接线
图2所示是一种单相电度表测有功功率的顺入接线方法。目前这种方法较少见,多用于老式电度表,提供这种线路供有老式电度表的客户参考。它是由接线端子l、2进线,3、4出线,电源的相线必须接到接线端子1上。

图2 单相电度表测有功功率顺入接线
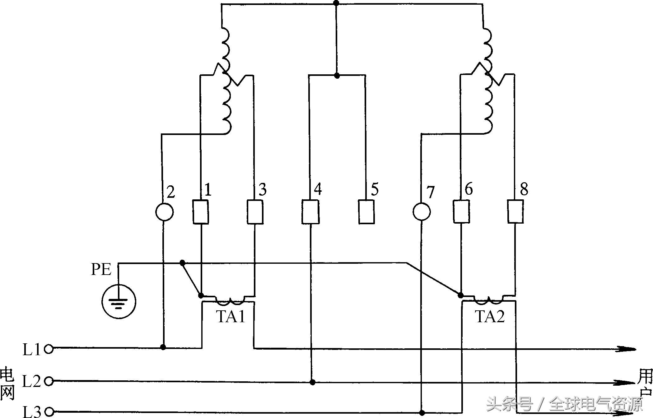
3.3种DT8型三相四线制电度表接线线路
图297(a)所示是DT8型40~80A直接接入式三相四线制有功电度表接线线路。三相四线三元件电度表实际上是3只单相电度表的组合,它有3个电流线圈和3个电压线圈,它有10个接线端子,其接线方法如图3所示。

图3(a) DT8型40~80A直接接入式三相四线制有功电度表接线

图3(b) DT8型5~10A、25A三相四线制有功电度表接线
图3(c)是DT8型5A电流互感式三相四线制有功电度表接线,电度表应按相序接入。电度表经电流互感器接入后,计数器的读数需乘互感器感应比率才等于实际电度数。例如电流互感器的感应比率为200/5A,那么电度表读数再乘以互感器的感应比率才是实际用电度数。

图3(c) DT8型5A电流互感式三相四线制有功电度表接线
4.DS8型系列电度表3种接线线路
图4(a)为DS8型380V、5A电流互感式三相三线制电度表接线线路。电度表读数再乘以互感器的感应比率才为实际用电度数。
而图4(b)是DS8型100V、5A万用互感式三相三线制电度表接线线路。应用这种电度表时,应注意电度表读数乘以电压互感器的感应电压比和电流互感器的感应比率才是实际电度数。

图4(a) DS8型380V、5A电流互感式三相三线制电度表接线

图4(b) DS8型100V、5A万用互感式三相三线制电度表接线

图4(c) DS8型380V、5~10A、25A直接接入式三相三线制电度表接线299
两种单相电度表可测三相用电器有功功率接线线路

图4(d) 单相电度表测三相用电器的有功功率电度表接线
图4(d)是一单相电度表测三相用电器的有功功率电度表接线方法。这种方法可大致测得三相有功功率。
在工厂和农村乡镇企业常用的是三相交流电,如计量用电量时,一般需要一只三相电度表。如只有单相电度表,那就可按图4(d)接线,便可使单相电度表测得三相电的用电量,即原单相电度表读数乘以互感器的倍率,然后再乘上3,便是实际三相用电器的用电度数。这种方法简便易行,非常实用。

图4(d) 单相电度表测三相电用电功率接线
5.两种三相无功电度正弦表接线线路
具有60°相位差的二元件正弦三相无功电度表(DX2型)的特点是:当负载功率因数cosφ=1时,电压工作磁通Φu与电流磁通ΦI的相位差不是90°而是60°,通过对电压线圈串联的电阻R1、R2的选择,能够改变Φu的相位角,因此就能够满足Φu、ΦI间60°相位差的要求。这种电度表的接法如图5(a)所示,能够看出其接线与普通有功电度表完全一样。

图5 两种三相无功电度正弦表接线线路

另一种三相无功正弦表接线如图5(b)所示:由于正弦表元件所产生的力矩与UIsinφ成正比,所以它的接法与有功表完全相同。不论电流、电压是否平衡,其计量的结果都是正确的。
6.三相有功功率电度表接线方法
图6是一种三相有功功率电度表的接线方法。它的外部配接有电流互感器和三相交流变压器。

图6 三相有功功率电度表接线方法
7.用一只单相电度表测量三相无功电能线路
在三相负荷对称的情况下,采用图7中接线方式能够测得三相无功电能。电度表的读数乘以3即为三相无功电能。

图7 用一只单相电度表测量三相无功电能线路
8.直流电度表的3种接线方法
一般的直流电路的电能可用直流电度表测得,常用的直流电度表接线方法如图8(a)所示。它有一组电压线圈和一组电流线圈,分别接于被测电路中。

图8(a) 直流电度表接线方法

图8(b) 直流电度表经附加电阻接线一法
图8(b)是直流电度表经附加电阻接线方法。这种方法主要为使所测的直流电压与电度表上的电压线圈要求相符合。
图8(c)是直流电度表通过分流器接线线路。因直流线路中有时工作电流较大,不能直接接入电度表,这样就必须加一个分流器,然后再接入电路中。

图8(c) 直流电度表通过分流器接线线路
9.直流电流表、直流电压表的常用接线方法
电流表是电工用来测量电路中电流大小的仪表。电流表需和被测电路串联。
直流电流表的正极应与电源的正极接线端子相连接。仪表的量限应为被测电流的1.5~2倍。图9(a)为直流电流表的直接接入法。图9(b)为带外附分流器的直流电流表接入法。
图9(c)、(d)为直流电压表的常用接线方法,一般电压表用来测量电气设备线路中的电压。测量时可将电压表直接接入电路,见图9(c),接线时应注意电压表上的正负极与线路中的电压正负极相对应。如果电压表测量机构的内阻R不够大、测量电压又较高时,就需增加一个串联电阻RU来降低仪表机构的电压,这个电路中的电阻也称倍压器,见图9(d)。

图9 直流电流表、直流电压表的常用接线方法
10.交流电流表的接线方法

图10 交流电流表的接线方法
电磁式仪表过载能力强,量限大。如果测量范围在量程容限内可按图10(a)方法直接接入被测电路。如果需要扩大量限或必须降低通过仪表的电流时,可选用和电流表变比一致的电流互感器来扩大量程,见图10(b)。
在使用电流互感器时,不允许电流互感器次级开路,否则会产生高压,对人身以及电气设备造成很大危害。
11.两种3只电流表接入三相电源线路
用两只互感器接入3只电流表线路如图11(a)所示。这种方法在测量三相交流电流时,可省去一只电流互感器。
图11(b)是3只电流表接三相电源方法。此方法系常用的一种接线方法,接线时,3只电流互感器的一端必须接地,以保证人身和电气设备的安全。

图11 两种3只电流表接入三相电源线路
12.功率、功率因数、频率的测量线路
在中小型发电机控制屏上,常采用功率表W、功率因数表cosφ、频率表Hz、3块电流表经两只电流互感器TA和两只电压互感器TV的联合接线线路,如图12所示。电气工作人员在应用接线时,应注意以下几点。
①三相有功功率表W的电流线圈、三相功率因数表cosφ的电流线圈以及电流表PA的电流线圈与电流互感器次级串联成电流回路,但L1相、L3相两电流回路不能互相接错。
②三相有功功率表W的电压线圈、三相功率因数表cosφ的电压线圈与电压互感器次级并联成电压回路,但各相电压相位不可接错。
③电流互感器次级“K2”或“-”端与第三只电流表PA末端相连接,并须做可靠接地。

图12 功率、功率因数、频率的测量线路
13.JDJ型电压互感器接线
电压互感器的工作原理与变压器的工作原理一样,它的功能是将高压变为低压,从而供测量仪表或者是继电器的电压线圈用电。使用电压互感器,其次级绕组不允许短路。图13(a)为JDJ-6型户内用表接线图,图13(b)为JDJ-35型户外用表接线图。

图13 JDJ型电压互感器接线
14.交流与直流两用电压表的接线方法
用交流或直流两用电压表测量单相或三相交流电路中的电压,接线方法如图14所示。如需扩大仪表量程时,可使用电压互感器T。在接线中,不允许T次级绕组短路。

图14 交流与直流两用电压表的接线方法
15.5种常用自动控制仪表接线方法
DBY型压力变送器为DDZ-Ⅱ系列电动单元组合式检测调节仪表中的一个变送单元。
DBY型变送器在测量和自动调节系统中作为检测环节,用于连续测量蒸汽、液体等介质的压力和负压,并将被测参数转换成0~10mA、直流统一电流信号输出,它与DD2-Ⅱ系列电动单元组合仪表中的记录仪表、调节器等构成自动检测、调节、控制等工业自动化系统。
DBY-120型压力变送器接线线路见图15(a)。接线端子1、2接该压力变送器的负载(如调节器、指示灯、记录仪表等或1.5kΩ负载电阻),接线端子3、4接工频电源220V。
DZD-031型电气转换器为DDZ-Ⅱ型电动单元组合式检测、调节仪表中的一个转换单元,它在自动调节系统中作为信号转换器用,它能将连续的0~10mA、直流电信号相应地转换为连续的0.2~1kgf/cm2(1kgf/cm2=98.0665kPa)气压信号,传送到气动二次仪表、调节器或气动执行机构进行记录、指示和调节。它的输入信号为DC0~10mA,输出信号为0.2~1kgf/cm2,输入电阻≤2.2kΩ。其接线线路见图15(b)。

图15(a) DBY-120型压力变送器接线

图15(b) DZD-031型电气转换器接线
DBW-130型温度变送器是DDZ系列电动单元组合式检测调节仪表中的一个变送单元。它与各种热电偶、热电阻配合使用,可将温度信号转换成0~10mA统一电流信号;同时它又是一个低电平直流毫伏转换器,可与具有毫伏输出的各种变送器配合,使之具有0~10mA统一信号输出。由此可构成对温度等参数的自动调节系统。
DBW-130型温度变送器有两种形式,一种是墙挂式,另一种是现场安装式。它的接线方法如图15(c)所示。它可接入热电偶及热电阻,量程为10~100Ω;也可接入毫伏表,输入量程为5~50mV。所接的负载电阻为0~1.5kΩ,供电电压为交流电220V,消耗电功率约5VA。

图15(c) DBW-130型温度变送器接线
XWD100型电子自动记录仪是自动化仪表的一个单元。它可将输入的0~10mA的电流信号变化自动记录下来,得到以时间为坐标的变化曲线图。例如需要记录温度曲线时,测量温度的热电阻阻值变化通过温度变送器输出,变成0~10mA的电流信号送入记录仪中,便可记录出温度变化的曲线。具体外接接线如图15(d)所示。RA为本记录仪自带的外加电阻,配接变送器为MA,外加交流电压为220V。图15(d)即外接接线架接线线路。
DDZ-Ⅱ调节器在自动仪表中起直接操动执行机构功能。DDZ-Ⅱ调节器输入DC0~10mA,输出DC0~10mA,电源电压为220V。外接接线架接线线路如图15(e)所示。

图15(e) DDZ-Ⅱ调节器外接接线

图15(d) XWD100型电子自动记录仪接线
16.电工常用万用表、兆欧表、钳形电流表线路
万用表是电工常用测量仪表工具,其内部结构由直流电流表、电容、电阻、二极管、开关、电池等构成。图311(a)是一种典型的袖珍式万用表线路。它有直流电流测量挡、交直流电压测量挡、直流电阻测量挡、晶体管hFE测定挡。hFE的测量方法如下:把开关转到R×1k挡上,将测试杆短路,调好欧姆零位,再把开关转到hFE挡,把晶体管e、b、c三极插入万用表相对应的e、b、c插孔内,在hFE刻度线上可读出hFE的值来。
500型万用表又叫繁用表,是一种多用途的便携式测量仪表,它具有测量范围广、使用方便、易携带等优点,是电工必备的测量工具。
一般万用表可用来测量电阻、直流电流、交流电流、直流电压、交流电压等。功能较多的万用表还能测电感、电容、声频电压、三极管放大倍数等,故称为万用表。
图311(b)是500型万用表的实际电气线路图,供电工人员维修万用表参考。电气工作人员使用万用表时应注意以下使用方法。
①使用前,首先要检查转换开关挡位是否与所要测量物理量一致,切不能把挡位拨错。例如,在测量较高的电压时,误将转换开关置于电流或电阻挡上,则很可能烧坏仪表。
②在测量电阻时,首先选好所需要的挡位,然后将两表直接连接在一起短路一下,此时,万用表的指针应指向零值,若未指零,应旋动“Ω”旋钮,使指针指零,然后再去测电路,每换一次电阻挡量程,均应先调零位。
③在线路中测量电阻时,应断电进行。电路中的电容器要短路放电后再测试。电阻的量限应选择适当,使指针在中间位置读数较准确。在测电阻阻值时,不应将手触及电阻两端,否则会形成被测电阻与人体电阻并联,引起测量不准。
④在测量电压或电流时,若被测线路上电压或电流的大小难于估计出来,应先把万用表的量程拨到最大,然后根据实际情况逐渐换小挡位。换挡位时,要使两表笔离开测量体,不可带电换量程。
⑤在测量直流电压或直流电流时还需注意,应使被测量的极性与仪表的正负极性一致。测量电流时,应将万用表串联在电路中。
⑥测量交流电压时,要斟酌被测电压的波形,万用表只适用于测量正弦波电压的有效值,而不能测量非正弦量。
⑦用万用表在测量2500V交流或直流高压时,应将万用表架在绝缘支架上,被测部件断电。电路中若有固定大电容时,应先将电容放电短路,并拆除短路线,然后再接通电源。测试棒应分别置于“2500V”及“-”插孔内,应将测试棒“-”端固定在电路“地”点上,将测试棒另一端去接触被测高压电源。测试过程中应严格执行高压操作规程,双手必须戴高压绝缘手套,地板上应铺高压绝缘胶板,测试人员要谨慎从事。
⑧万用表在每次测量完毕后,应将转换开关拨到交流电压最高挡位,以防他人粗心从事,损坏万用表,另外也可避免放在量程电阻挡上时,表笔不慎接触,造成电池消耗。
⑨在检修万用表表头时,应先用软铁将磁铁短路,以防灵敏度下降。
⑩万用表应保持清洁和干燥,防止震动、防止较大的冲击,以免影响准确或损坏仪表。
兆欧表(又称绝缘电阻表)俗称摇表、绝缘摇表或麦格表,图311(c)所示是兆欧表线路,它主要用来测量电气设备的绝缘电阻,如电动机、电器线路的绝缘电阻,判断设备或线路有无漏电、绝缘损坏或短路。

图16(a) 电工常用MF52型万用表线路

图16(b) 500型万用表线路

图16(c) 兆欧表线路
兆欧表的主要构成部分是一个磁电式流比计和一只作为测量电源的手摇高压直流发电机。与兆欧表表针相连的有两个线圈,一个同表内的附加电阻R1串联,另一个和被测的电阻R串联,然后一起接到手摇发电机上。
使用兆欧表时须注意以下几点。
①正确选择其电压和测量范围。选用兆欧表的电压等级应根据被测电气设备的额定电压而定:一般测量50V以下的用电器绝缘,可选用250V兆欧表;50~380V的用电设备检查绝缘情况,可选用500V兆欧表;500V以下的电气设备,兆欧表应选用读数从零开始的,否则不易测量。因为在一般情况下,电气设备无故障时,绝缘电阻若在0.5MΩ以上,就能给电气设备通电试用;若选用读数从1MΩ开始的兆欧表,对小于1MΩ的绝缘电阻则无法读数。
②选用兆欧表外接导线时,应选用单根的多股铜导线,不能用双股绝缘线,绝缘强度要在500V以上,否则会影响测量的精确度。
③测量电气设备绝缘电阻时,测量前必须先断开设备的电源,并验明无电。如果是电容器或较长的电缆线路应进行放电后再测量。
④兆欧表在使用时必须远离强磁场,并且平放。摇动摇表时,切勿使表受震动。
⑤在测量前,兆欧表应先做一次开路试验,然后再做一次短路试验。表针在开路试验中应指到“∞”(无穷大)处;短路试验中表针应摆到“0”处,表明兆欧表工作状态正常,可测电气设备。
⑥测量时,应清洁被测电气设备连接表面,以免引起接触电阻大,测量结果不准。
⑦在测电容器的绝缘电阻时需注意,电容器的耐压必须大于兆欧表发出的电压值。测完电容后,应先取下兆欧表线再停止摇动摇把,以防已充电的电容向兆欧表放电损坏仪表。测完的电容要用电阻进行放电。
⑧兆欧表在测量时,还需注意其“L”端子通入电气设备的带电体一端,而标有“E”接地的端子应接电气设备的外壳或地线。如果测量电缆的绝缘电阻时,除把兆欧表“接地”端接入电气设备接地外,另一端接线路后,还需将电缆芯之间的内层绝缘物接“保护环”,以消除因表面漏电而引起的读数误差。
⑨若遇天气潮湿或降雨后空气湿度较大时,应使用“保护环”,以消除绝缘物表面泄流,使被测物绝缘电阻比实际值偏低。
⑩使用兆欧表测试完毕后也应对电气设备进行一次放电。
1◈使用兆欧表时,要保持一定的转速,按兆欧表的规定一般为120r/min,允许变动±20%,在1min后取一稳定读数。测量时不要用手触摸被测物及兆欧表接线柱,以防触电。
◈21摇动兆欧表手柄,应先慢再逐渐加快,待调速器发生滑动后,应保持转速稳定不变。如果被测电气设备短路,表针摆动到“0”时,应停止摇动手柄,以免兆欧表过流发热烧坏。
31◈兆欧表在不使用时应放于固定柜橱内,周围温度不宜太冷或太热,切忌放于污秽、潮湿的地面上,并避免置于含侵蚀功能的气体附近,以免兆欧表内部线圈、导流片等零件发生受潮、生锈、腐蚀等现象。
1◈影响指示4。应尽量避免剧烈的长期震动,造成表头轴尖变秃等,
51◈禁止在雷电时或在邻近有带高压导体的设备时用兆欧表进行测量,只有在设备不带电又不可能受其他电源感应而带电时才能进行。
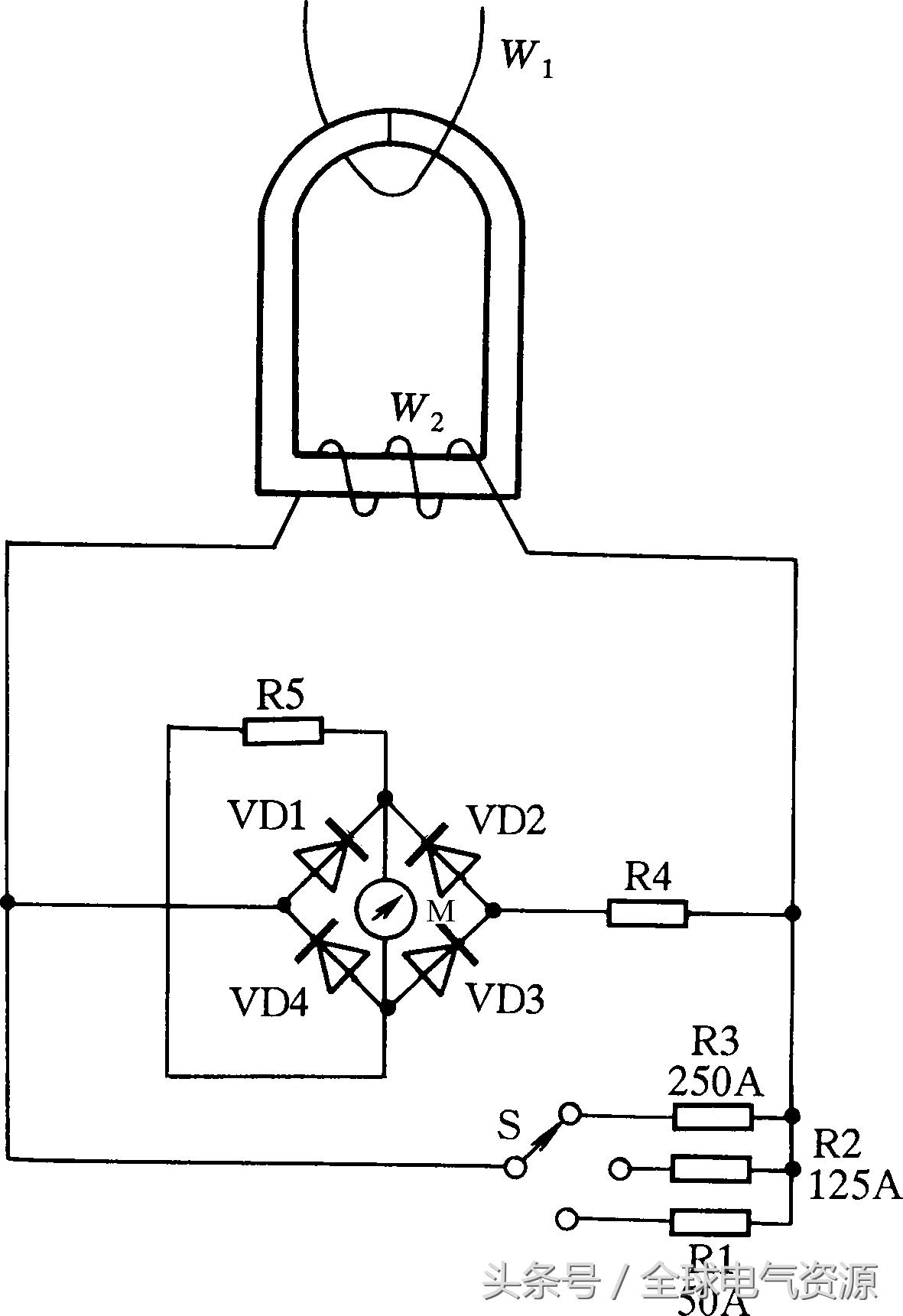
测量电动机电流时,常用的一种仪表叫钳形电流表。因为万用表测量线路中的电流时,需断开电路将万用表串联在线路中,一般只能测量较小的电流,而钳形电流表则可在不断开电源的情况下直接测量线路中的大电流。
MG31-2型交流钳形电流表是一种互感整流式仪表。被测量的负载导线为初级绕组,在钳形电流表铁芯上固定的绕组为次级绕组,初级电流经过分流、整流,由指示仪表M显示。M的刻度盘按初级电流的数值显示。电流互感器的电流比为I1/I2=W2/W1。其接线线路如图311(d)所示。
使用钳形电流表应注意以下几点。
①在使用钳形电流表时,要正确选择钳形电流表的挡位。测量前,根据负载的大小粗估一下电流数值,然后从大挡往小挡切换,换挡时要使被测导线置于钳形电流表卡口之外。
②检查表针在不测量电流时是否指向零位,若未指零,应用小螺丝刀调整表头上的调零螺钉使表针指向零位,以提高读数准确度。
③测量电动机电流时,扳开钳*活口**动衔铁,将电动机的一根电源线放在钳口中央位置,然后松开手使钳口密合好。如果钳口接触不好,应检查弹簧是否损坏或脏污,如有污垢,用干布清除后再测量。

图16(d) MG31-2交流钳形电流表线路
④在使用钳形电流表时,要尽量远高强磁场(如通电的自耦调压器、磁铁等),以减少磁场对钳形电流表的影响。
⑤测量较小的电流时,如果钳形电流表量程较大,可将被测导线在钳形电流表口内绕几圈,然后读数。线路中实际的电流值应为仪表读数除以导线在钳形电流表上绕的匝数。
★
来源于《电工实用线路300例》,作者:王兰君
版权归原作者所有,若有侵权,请联系删除
★
看完文章后,您能够:
1、分享到朋友圈,把正能量传递给更多的人!
2、关注微信公众号:全球电气资源(ID:qqdqzy888)或我们的官方网站(www.ourger.com)获取更多有用电气专业知识、图纸、计算软件及资讯。

猜你喜欢:
老电工10年经验,总结的41例接线方法
这7个神奇的太阳能创意发电装置,你喜欢哪个?
怎样敷设接地干线、接地支线、接地线和零线?
什么叫智能电网 ,「智能」在何处?
三菱梯形图的基本电路