
一、电流互感器
电流互感器(CT)是电力系统中很重要的电力元件,功能是将一次高压侧的大电流通过交变磁通转变为二次电流供给保护、测量、录波、计度等使用,常用电流互感器二次额定电流为5A或1A,也就是铭牌上标注为100/5,200/5等,表示一次侧如果有100A或者200A电流,转换到二次侧电流就是5A。

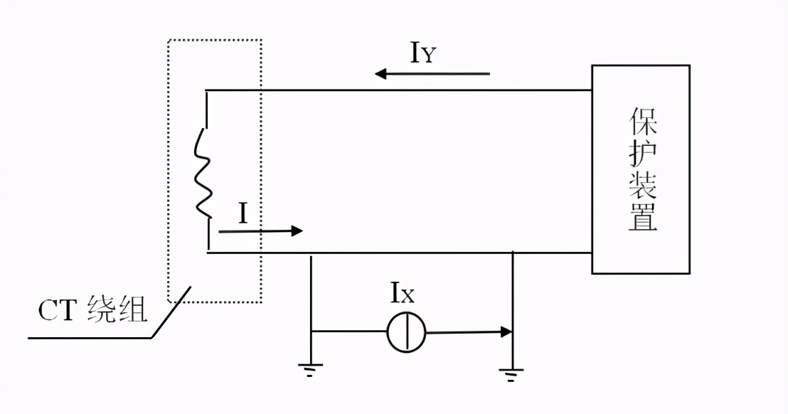
电流互感器在二次侧必须有一点接地,目的是防止两侧绕组的绝缘击穿后一次高电压引入二次回路造成设备与人身伤害。同时,电流互感器也只能有一点接地,如果有两点接地,电网之间可能存在的潜电流会引起保护等设备的不正确动作。如图示,由于潜电流IX的存在,所以流入保护装置的电流IY≠I,当取消多点接地后IX=0,则IY=I。
在一般的电流回路中都是选择在该电流回路所在的端子箱接地。但是,如果差动回路的各个比较电流都在各自的端子箱接地,有可能由于地网的分流从而影响保护的工作。所以对于差动保护,规定所有电流回路都在差动保护屏一点接地。
(1)电流互感器实验
极性实验:功率方向保护及距离保护,高频方向保护等装置对电流方向有严格要求,所以CT必须做极性试验,以保证二次回路能以CT的减极性方式接线,从而一次电流与二次电流的方向能够一致,规定电流的方向以母线流向线路为正方向,在CT本体上标注有L1、L2,接线盒桩头标注有K1、K2,试验时通过反复开断的直流电流从L1到L2,用直流毫安表检查二次电流是否从K1流向K2。线路CT本体的L1端一般安装在母线侧,母联和分段间隔的CT本体的L1端一般都安装在I母或者分段的I段侧。接线时要检查L1安装的方向,如果不是按照上面一般情况下安装,二次回路就要按交换头尾的方式接线。
变比实验:CT需要将一次侧电流按线性比例转变到二次侧,所以必须做变比试验,试验时的标准CT是一穿芯CT,其变比为(600/N)/5,N为升流器穿芯次数,如果穿一次,为600/5。对于二次是多绕组的CT,有时测得的二次电流误差较大,是因为其他二次回路开路,是CT磁通饱和,大部分一次电流转化为励磁涌流,此时应当把其他未测的二次绕组短接即可。同理在安装时候,未使用的绕组也应该全部短接,但是要注意,有些绕组属于同一绕组上有几个变比不同的抽头,只要使用了一个抽头,其他抽头就不应该短接,如果该绕组未使用,只短接最大线圈抽头就能够。变比试验测试点为标准CT二次电流分别为0.5A,1A,3A,5A,10A,15A时CT的二次电流。
(2)绕组的伏安特性
理想状态下的CT就是内阻无穷大的电流源,不因为外界负荷大小改变电流大小,实际中的CT只能在一定的负载范围内保持固定的电流值,伏安特性就是测量CT在不同的电流值时允许承受的最大负载,即10%误差曲线的绘制。伏安特性试验时特别注意电压应由零逐渐上升,不可中途降低电压再升高,以免因磁滞回线关系使伏安特性曲线不平滑,对于二次侧是多绕组的CT,在做伏安特性试验时也应将其他二次绕组短接。

10%误差曲线通常以曲线形式由厂家提供,如上图,横坐标表示二次负荷,纵坐标为CT一次电流对其额定一次电流的倍数。根据所测得U,I2值得到RX1,Rx1=U/ I2,找出与二次回路负载Rx最接近的值,在图上找到该负荷对应的m0,该条线路有可能承受的最大负载的标准倍数m,比较m 和m0的大小,如果m>m0,则该CT不满足回路需求,如果m≤m0,该CT能够使用。伏安特性测试点为I2在0.5A,1A,3A,5A,10A,15A时的二次绕组电压值。
二、电压互感器
电压互感器(PT)的功能是将高电压成比例的变换为较低(一般为57V或者100V)的低电压,母线PT的电压采用星形接法,一般采用57V绕组,母线PT零序电压一般采用100V绕组三相串接成开口三角形。线路PT一般装设在线路A相,采用100V绕组。PT变比测试由高压专业试验。
PT的一、二次也必须有一个接地点,以保护二次回路不受高电压的侵害,二次接地点选在主控室母线电压电缆引入点,由Ymn小母线专门引一条半径至少2.5mm永久接地线至接地铜排。PT二次只能有这一个接地点(严禁在PT端子箱接地),如果有多个接地点,由于电网中电压压差的存在将使PT二次电压发生变化。
电流互感器二次绕组不允许开路。电压互感器二次绕组不允许短路。
CT与PT工作时产生的磁通机理是不同的。CT磁通是由与之串联的高压回路电流通过其一次绕组产生的。此时二次回路开路时,其一次电流均成为励磁电流,使铁芯的磁通密度急剧上升, 从而在二次绕组感应出高达数千伏的感应电势。PT磁通是由与PT并联的交流电压产生的电流建立的,PT二次回路开路,只有一次电压极小的电流产生的磁通产生的二次电压,若PT二次回路短路则相当于一次电压全部转化为极大的电流而产生极大磁通,PT二次回路会因电流极大而烧毁。
三、二次回路的标号
为了便于二次回路的施工与日常维护,根据“四统一”的原则,必须对电缆和电缆所用芯进行编号,编号应该做到使用者能根据编号了解回路用途,能正确接线。二次编号应根据等电位的原则进行,就是电气回路中遇于一点的导线都用同一个数码表示,当回路经过接点或者开关等隔离后,因为隔离点两端已不是等电位,所以应给予不同的编号,下面将具体的解释些常用编号:
1)电流回路的编号

以一组保护用电流回路为例,A相第一个绕组头端与尾端编号A1,A2,如果是第二个绕组则用2A1,2A2,其他同理。
电流流入装置的顺序:流入第一个装置为1,流出后进入下一个装置为2,依次类推。
2)电压回路的编号
电压等级:一次电压等级,由罗马数值表示,高压侧Ⅰ,中压侧Ⅱ,低压侧Ⅲ,零序电压不标。PT所在位置:PT在I母或者母线I段上,保护遥测等标630,计度用标630’,PT在II母或者母线II段上,则分别标640与640’。相别:A、B、C为三相电压,L为零序电压。
线路电压编号A630。电压回路接地端都统一编号N600,但是开口三角形接地端编N600’或者N600△以示区别。
母线电压回路的星形接线采用单相二次额定电压57V的绕组,星形接线也叫做中性点接地电压接线。以变变电站高压侧母线电压接线为例,如图;

1)为了保证PT二次回路在末端发生短路时也能迅速将故障切除,采用了快速动作自动开关ZK替代保险。
2)采用了PT手车接点G来切换电压。当PT手车拉出时打开,自动断开电压回路,防止PT停用时由二次侧向一次侧反馈电压造成人身和设备事故,N600不经过ZK和G切换,是为了N600有永久接地点,防止PT运行时因为ZK或者G接触不良, PT二次侧失去接地点。
3)1JB是击穿保险,击穿保险实际上是一个放电间隙,正常时不放电,当加在其上的电压超过一定数值后,放电间隙被击穿而接地,起到保护接地的功能,这样万一中性点接地不良,高电压侵入二次回路也有保护接地点。
4)因母线PT是接在同一母线上所有元件公用的,为了减少电缆联系,设计了电压小母线1YMa,1YMb,1YMc,YMN(前面数值“1”代表I母PT。)PT的中性点接地选在主控制室小母线引入处。
5)开口三角形是按照绕组相反的极性端由C相到A相依次头尾相连。
6)零序电压L630不经过快速动作开关ZK,因为正常运行时U0无电压,此时若ZK断开不能及时发觉,一旦电网发生事故时保护就无法正确动作。
3)控制回路的编号
电源回路:直流储能电源+HM,-HM,交流电源~A,~B、~C、~N。

更多学习开关柜的二次回路能够观看短视频,感谢关注!