简介

目前,在自动化程度较高的机械加工机床上使用的夹具多数采用的是液压夹紧或气动夹紧。但是,工件在加工过程中有不同方向的多个面需要加工,这就需要在加工过程中对工件进行分度转位。一般分度转位和转位后的定位仍然采用的是机械方式,其结构较为复杂,体积大,操作麻烦。

在加工多通接头时,每一路接头都要按要求进行加工,需要多次装夹,加工效率低,液压自动分度卡盘,该卡盘能够实现 90°的分度,其分度运动是在 90°的范围内的正反运动,只能实现两个工位的加工,无法实现多通接头的完全加工。

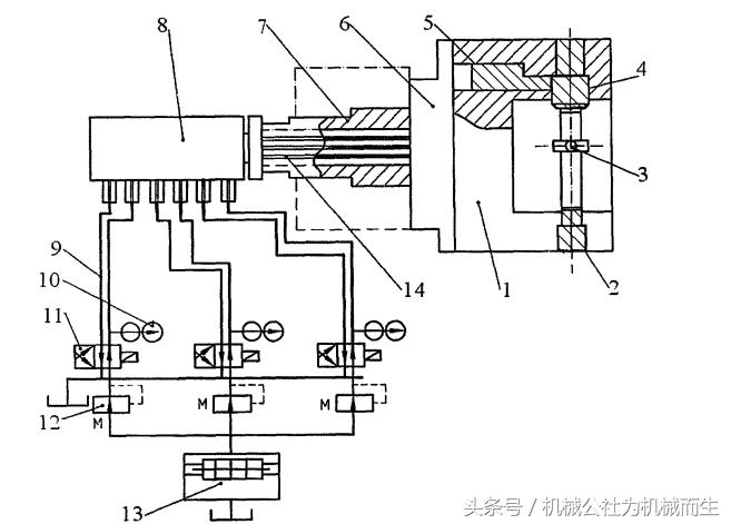
1液压自动分度卡盘

采用液压传动系统对工件进行夹紧,包括夹紧油缸,自动分度卡盘上设有分度油缸,分度油缸与夹紧油缸为同一个液压传动系统驱动,工件一个面与夹紧油缸的夹紧面接触,工件上相对的另一个面与分度油缸的分度盘接触。

自动分度卡盘上设有定位油缸,定位油缸的定位件在实现定位的状态下,与分度盘上的定位结构形成定位的配合 ;定位油缸与夹紧油缸为同一个液压传动系统驱动。

液压传动系统通过油路转换器、车床主轴及法兰盘内的旋转油管、自动分度卡盘内的油路分别与夹紧油缸、分度油缸、定位油缸连接。

自动分度卡盘内的油路分别为与分度油缸油路、夹紧油缸油路、定位油缸油路 ;分度油缸油路、夹紧油缸油路、定位油缸油路,其中每个油路均设有起进油和回油功能的两个通路。

分度油缸中设分度缸体、分度油缸转子、分度油缸定子、分度主轴,分度油缸转子与分度主轴通过分度主轴传动销连接,

分度油缸转子和分度油缸定子在回转方向上的空隙,构成两个分度油腔,并分别通过分度油缸油口、分度油缸油路连接。

液压传动系统中设油泵,通过三个油路上的油管与油路转换器连接,每个油路上分别按进油顺序设减压阀、换向阀、压力表。
2可分度的翻转卡盘

在分度卡盘体 1 的回转中心设有容纳工件的槽腔 10,在槽腔 10 的两侧分别设有运动压紧活塞 4 和非运动压紧活塞 5,在运动压紧活塞 4的外圆周设有密封圈,密封圈内侧与分度卡盘体 1 形成的腔体与夹紧油路Ⅰ 11 相通,密封圈外侧与分度卡盘体 1 形成的腔体与夹紧油路Ⅱ 12 相通 ;在非运动压紧活塞 5 的外端部连接有截面为矩形的回转轴 2,同时回转轴 2 的中心连接限位块 6,在分度卡盘体 1 上水平设置有驱动杆 3,驱动杆 3 的轴线与分度卡盘体 1 的轴线平行 ;在驱动杆 3 外圆周的一半为楔形面 31,另一半为平面 32,楔形面与平面的过渡面 36 与楔形面 31 垂直,在平面的中心线处设有沟槽 35,回转轴 2 位于沟槽 35,同时限位块 6 的外表面位于平面 32 上 ;驱动杆 3 的两端与分度卡盘体 1 分别设有密闭的腔体,密闭腔体分别与分度液压管路 18 相通。
分度卡盘体 1 上还设有个空腔,在该空腔内设有平衡块 19,平衡块 19 的中心轴与运动压紧活塞 4 的中心轴平行,平衡块 19 的两端所形成的密闭空间与平衡油路 13 相通,在平衡块 19 外侧空腔还与夹紧油路Ⅱ 12 设有相通 ;在与平衡块 19 外侧空腔相通的平衡油路 13 上设有液控单向阀 14,液控单向阀 14 的控制口与夹紧油路Ⅰ 11 相通。
可分度的翻转卡盘的动作过程为 :

1)将待加工零件放入至分度卡盘体 1 的槽腔 10 中,开启夹紧油路Ⅱ 12,则压紧活塞 4向上运动,并将待加工零件夹紧 ;
2)当加工完后,需要进行翻转 90° ;
2.1)如图 所示,启动分度液压管路 18,将驱动杆 3 的平面 32 端向回转轴 2 推动 ;
2.2)如图 所示,驱动杆 3 的楔形面 31 脱落回转轴 2 的矩形表面,同时限位块 6 的矩形角端与过渡面 36 接触,当驱动杆 3 继续前行,限位块 6 带动驱动杆 3 在沟槽 35 内转动,如图 所示 ;
2.3)当限位块的矩形面完全与平面 32 贴合时,驱动杆 3 反方向运动,首先限位块 6 脱离平面 32,然后回转轴的端面与楔形面 31 接触,如图 5 所示 ;
2.4)当回转轴 2 的端面完全与楔形面 31 完全贴合,回转轴 2 即带动待加工零件完成90°的分度过程,同时可通过图 至图 所示,可看出限位块 6 的 A、B 面实现了 90°的翻转 ;
3)当加工完毕后,需要继续进行 90 度旋转时,重复 2.1-2.4 步骤 ;
4)在加工的过程中,由于平衡阀和液控单向阀的存在,压紧活塞 4 和平衡块 19 同时在分度卡盘座 1 的旋转下产生离心力,液控单向阀 14 不允许平衡块 19 外部腔体内的液油回流,从而只能流入到压紧活塞外侧的腔体内,故进一步将压紧活塞压紧,保证了生产安全 ;
5)当零件加工完毕,夹紧油路Ⅰ 11 内进入液油,同时将液控单向阀 14 打开,从而压紧活塞外侧空腔内的液油排出,压紧活塞 4 松开,即可取出加工完毕的零件。

【机械公社】致力于提供机械的行业技术 ,为行业人士建立和拓展全技术能力提供技术服务,是机械行业一个跨屏技术互动应用系统。更多行业技术请关注微 机械公社圈

