
撰文/黄帅
今日浏览维基百科的乐趣犹如少年读书时阅读字典的快感,对于这类工具书,我向来不把它们当成需要查阅资料时才寻觅到的参考书,而是看成一种知识体系的完全呈现。
在读史中,年表往往是很多读者憎恶的,因其充斥着冰冷干瘪的数据而缺乏生动的魅惑,甚至认为它不如历史叙事重要。而我向来注重年表里的数据,犹如注重从字典中发现细节的震撼力。

相对来说,历史事件和帝王世系年表还是饶有趣味的,纯粹的数据表格,读起来的确容易让人味同嚼蜡,难寻兴味,但这些数据表在经济史上又是无比重要的,是绕不开的。
不论是《史记》与其后历朝各代的官修史书,还是《文献通考》《通典》里的典章制度记录,都有许多反映各个时期经济状况的数据,相比记录皇室宫廷的生活的数据,我更迷恋一个朝代里百姓生活状况的数据表述。

梁方仲先生的经典之作《中国历代户口、田地、田赋统计》,则很精准地回应了这个问题。正所谓前人栽树、后人乘凉,这本《统计》写作背后需要耗费研究者大量的心血,需要对原始史料做出寻找、择取和登记整理,还要从中做出简单的比对和分析,既需要扎实的史学功夫,还要有一定的现代统计学知识储备,十分不易。

从基本项的设置上,能看到其覆盖到了朝代的重要时期和要害的信息点

在汉朝的数据已经相当精准了,这些统计数字背后是我们的祖先的生活往昔

纵向的总统计

参考资料和备注十分详尽

我们能看到因不同原因造成的代际间的人口差异与变化

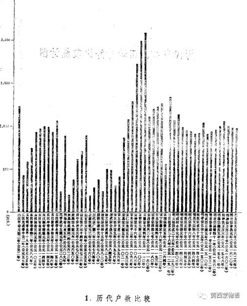
还有一些时间轴上的数据图也堪称独家资料

正如书中所述,对于治史之人来说,读书广博,惟求其“通”,而这个“通”,正是达到“大作”所必须具有的素质。在书中不仅能够看到有通论古代历朝户口、田地、田赋制度,专论汉唐间户调制与均田制的社会经济背景、隋代经济高涨的原因以及元代经济问题等多篇论著,还能够看到他在专门研究明清田赋制度之外,也对明清社会经济的各个方面都有深人的研究。