总群已满, 加入电力交流1群 568593901,文章底部找小筱。
(汇总的配电通试卷、习题以及原创文章等已经汇总成文档在群文件里,需要的*载下**)
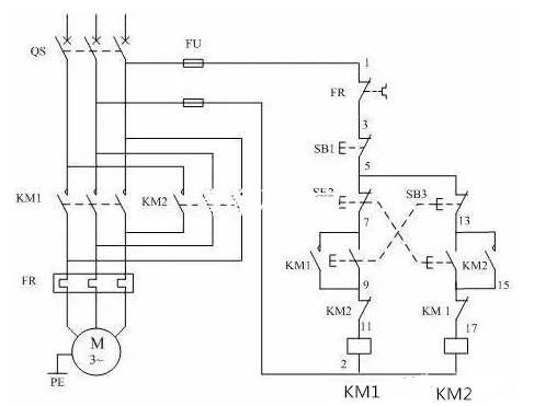
三相异步电动机正反转控制电路电器元件明细表
正反转有3种做法,1是接触器互锁 2是按钮互锁 3是双重互锁
需要的原件有:按钮开关3个,接触器2个,热过载1个,最好加3个熔断器为保护3条火线用。 至于3种做法大致相同 , 线路稍微有些变化。不顾基本还是一样 ,就是按钮开关需要更换下

为了使电动机能够正转和反转,可采用两只接触器KM1、KM2换接电动机三相电源的相序,但两个接触器不能吸合,如果同时吸合将造成电源的短路事故,为了防止这种事故,在电路中应采取可靠的互锁,图为采用按钮和接触器双重互锁的电动机正、反两方向运行的控制电路。

线路分析如下:
一、正向启动:
1、合上空气开关QF接通三相电源
2、按下正向启动按钮SB3,KM1通电吸合并自锁,主触头闭合接通电动机,电动机这时的相序是L1、L2、L3,即正向运行。
二、反向启动:
1、合上空气开关QF接通三相电源
2、按下反向启动按钮SB2,KM2通电吸合并通过辅助触点自锁,常开主触头闭合换接了电动机三相的电源相序,这时电动机的相序是L3、L2、L1,即反向运行。
三、互锁环节:
具有禁止功能在线路中起安全保护功能
1、接触器互锁:
KM1线圈回路串入KM2的常闭辅助触点,KM2线圈回路串入KM1的常闭触点。当正转接触器KM1线圈通电动作后,KM1的辅助常闭触点断开了KM2线圈回路,若使KM1得电吸合,必须先使KM2断电释放,其辅助常闭触头复位,这就防止了KM1、KM2同时吸合造成相间短路,这一线路环节称为互锁环节。
2、按钮互锁:
在电路中采用了控制按钮操作的正反传控制电路,按钮SB2、SB3都具有一对常开触点,一对常闭触点,这两个触点分别与KM1、KM2线圈回路连接。
例如按钮SB2的常开触点与接触器KM2线圈串联,而常闭触点与接触器KM1线圈回路串联。按钮SB3的常开触点与接触器KM1线圈串联,而常闭触点压KM2线圈回路串联。
这样当按下SB2时只能有接触器KM2的线圈能够通电而KM1断电,按下SB3时只能有接触器KM1的线圈能够通电而KM2断电,如果同时按下SB2和SB3则两只接触器线圈都不能通电。这样就起到了互锁的功能。
四、电动机正向(或反向)启动
运转后,不必先按停止按钮使电动机停止,能够直接按反向(或正向)启动按钮,使电动机变为反方向运行。
五、电动机的过载保护由热继电器FR完成。
在选择断路器时,我们不仅要关注断路器的延迟曲线等主要指标,还应重视它的很多次要功能,这些常容易被疏忽的性能不仅能为一个良好的设计锦上添花,而且还能帮助工程师们为其应用设计精密的保护电路。
目前市面上有许多配备了各种可选功能的断路器,这些功能对于电路保护设计很有帮助。下面列出的是一些较为常见的功能。
辅助接点(辅助开关):它们是与主接点电隔离的接点,适用于报警和程序开关。辅助接点可用于向操作人员或控制系统告警,发出警报,或在重要应用中接通备用电源。

传动:传动器类型的选择不仅是出于美观的斟酌。具有开关速度是通/断开关两倍的传动摇杆开关的断路器能够节约成本和电路板空间。推挽式传动器在遇到突发事件时最为稳定。

分流端子:传统断路器被认为是“串联跳闸”的,这是因为接点、电流感应元件和负载都是串联的。分流端子从主电路分出支路,这样可将次级负载接入。如果初级负载发生了短路或过载,断路器将跳闸并切断两个负载的电源。

与辅助接点不同,分流端子是接到位于开关接点和电流感应元件之间的断路器载流通路的,这意味着第二个负载不受过载或短路保护。能够采用一个独立的断路器来保护次级电路,否则该电路只可用于具有内置保护电路的设备。

复式控制(遥控跳闸或继电器跳闸):复式控制断路器将两个彼此电隔离的感应元件组合起来以实现多项功能。例如,复式控制断路器可利用遥控传动器或感应器来进行传统的过流保护以及电路断接。遥控跳闸是复式控制的一个例子,通常被称为“继电器跳闸”。

低压跳闸:这是断路器中一个独立的电压敏感元件,如果电压降到预定值以下,它将使主接点开路。具有低电压跳闸的开关断路器被广泛用于有线连接电器的通/断控制。安全管理部门要求这些电器在发生掉电时必须切断电源,以避免电源恢复时电器突然重新启动的危险。

自动跳闸:一个自动跳闸的断路器在故障期间不会一直保持闭合—因为开关装置不会因强行保持传动器接通而失效。在一个完全自动跳闸的设计中,当传动器被保持在“接通”位置时,主接点在发生故障之后将始终保持开路。一些被称为“循环自动跳闸”的断路器在故障期间不能强行保持接通状态,但如果传动器一直处在“接通”的位置,则它们将周期性地接通和断开。如果断路器安装在容易够得着的地方(即未封闭),则应采用自动跳闸断路器。

自动复位:对于断路器不易够着的应用来说,在冷却期后自动复位的断路器是一个良好的选择。此时若指定使用可自动再起动的设备,则发生危险的可能性很大。

六、电动机可逆运行控制电路的调试
1、检查主回路路的接线是否正确,为了保证两个接触器动作时能够可靠调换电动机的相序,接线时应使接触器的上口接线保持一致,在接触器的下口调相。
2、检查接线无误后,通电试验,通电试验时为防止意外,应先将电动机的接线断开。

故障现象预处理;
1、不启动;原因之一,检查控制保险FU是否断路,热继电器FR接点是否用错或接触不良,SB1按钮的常闭接点是否不良。原因之二按纽互锁的接线有误。
2、起动时接触器“叭哒”就不吸了;这是因为接触器的常闭接点互锁接线有错,将互锁接点接成了自己锁自己了,起动时常闭接点是通的接触器线圈的电吸合,接触器吸合后常闭接点又断开,接触器线圈又断电释放,释放常闭接点又接通接触器又吸合,接点又断开,所以会出现“叭哒”接触器不吸合的现象。
3、不能够自锁一抬手接触器就断开,这是因为自锁接点接线有误。
相关内容汇总 微信公众号
8月20日
干货|三相异步电动机绕组故障分析和处理、附表常见故障及处理方法
8月10日
三相异步电动机运转时有异常响声的原因有哪些?
8月06日
高压线路二次回路、三相异步电动机等电路图以及常见电路分析方法
5月22日
三相异步电动机的缺相运行导致烧毁电机的原因和处理方法
文章源于网络,配电通整理,版权归原作者所有
看过文章后,请直接留言指出电小妹小筱的错误。如果您还不满足,就加入电力人的交流群,与电友们共同死磕。QQ群:2927105692,小筱微信:peidiantong,告诉我您需要的内容! 配电通
公众号:pdiantong