EC210917-9C841E 七键遥控定时蜡烛灯芯片
一. 功能说明
供电方式:DC3V(AA*2)一路红外遥控输入控制,一路LED输出。上电工作,蜡烛灯闪法:柔和闪 。有晶振检测:无晶振或晶振工作不正常时,定时按键模式LED无输出。
上电工作,蜡烛灯闪法:柔和闪 。
遥控功能介绍
OFF键: 关闭LED和定时。
ON键: 开启LED和取消定时。
ON/OFF键: 按一下开,再按关闭,循环。
4H键: 4-20小时循环定时模式(提示闪2下再进入功能)。OFF状态下按此键,直接开启LED并闪2下进入定时模式。
5H键: 5-19小时循环定时模式(提示闪2下再进入功能)。OFF状态下按此键,直接开启LED并闪2下进入定时模式。
6H键: 6-18小时循环定时模式(提示闪2下再进入功能)。OFF状态下按此键,直接开启LED并闪2下进入定时模式。
8H键: 8-16小时循环定时模式(提示闪2下再进入功能)。OFF状态下按此键,直接开启LED并闪2下进入定时模式。
按键对应编码(客户码:00FF)
|
按键 |
编码 |
按键 |
编码 |
|
OFF |
01 |
ON |
05 |
|
ON/OFF |
0D |
4H |
02 |
|
5H |
06 |
6H |
09 |
|
8H |
0A |
二. 电气参数(VDD=5.0V TA=25℃)
|
参数 |
符号 |
最小值 |
典型值 |
最大值 |
单位 |
条件 |
|
工作电压 |
VDD |
2.2 |
3.0 |
5.0 |
V |
FINST=1MHz @ I_HRC/4 |
|
工作电流 |
IOP |
0.5 |
mA |
|||
|
静态电流 |
ISTB |
2 |
uA |
FLOSC=32KHz @ I_LRC/4 |
||
|
驱动电流低电平输出 |
IOL |
13 |
mA |
VOL=1.0V |
||
|
驱动电流高电平输出 |
IOH |
-11 |
mA |
VOH=2.0V |
||
|
工作温度 |
TA |
-10 |
25 |
85 |
℃ |
|
|
储存温度 |
Tstg |
-25 |
25 |
125 |
℃ |
三. 封装脚位图(SOP-8)

遥控蜡烛芯片
|
管脚号 |
符号 |
功能描述 |
|
1 |
VDD |
电源正 |
|
2 |
OSCO |
晶振 |
|
3 |
OSCI |
晶振 |
|
4 |
NC |
悬空 |
|
5 |
OUT |
LED输出,低电平有效 |
|
6 |
P11 |
红外接收头正极 |
|
7 |
IR |
红外接收信号输入 |
|
8 |
GND |
电源负 |
四. 电路图参考

蜡烛定时IC芯片
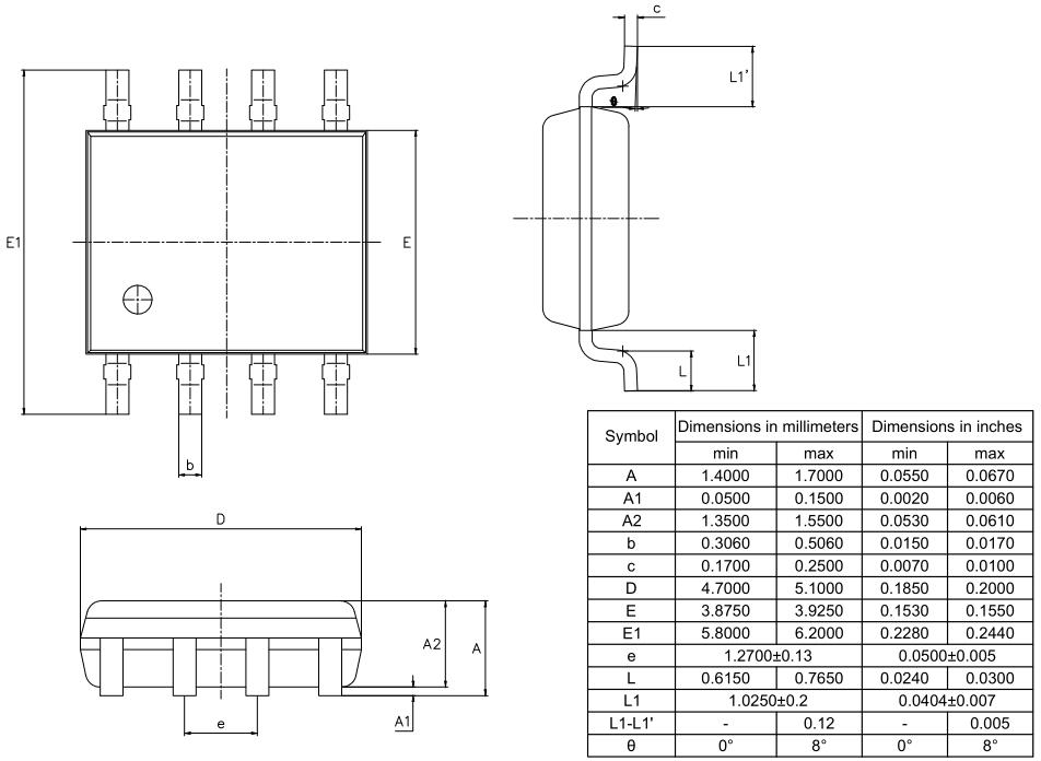
五. 封装尺寸图(SOP-8)

7键遥控蜡烛IC芯片
六. 版本说明
|
版本 |
日期 |
描述 |
|
EC210917-F1AE7A |
2021/9/27 |
V01初版 |
|
EC210917-9C841E |
2021/10/11 |
V02 |

蜡烛芯片方案开发